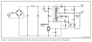
Festool 203625A
De Repair-wiki
- Les condensateurs entre DF10S et LNK520 explosent car reçoivent une tension alternative de 230V
- Voir datasheet du LNK520, les deux condensateur entourent la self de filtrage qui suit le pont de diode.

- Hypothèse : DF10S (pont de diode) HS. Mais pas concluant
